光翼智能 HCA-4M-500k 高速电流放大器(跨阻放大器),带宽 DC-4MHz,跨阻增益 5×10^5V/A,低脉冲失真,适用于光电探测器前置放大、光谱分析系统等,提供专业技术支持,全国高校 / 科研院所合作优选!

HCA-4M-500k 高速电流放大器(跨阻放大器)是光翼智能推出的高增益、低失真电流转电压转换器件,核心实现电流信号输入 - 电压信号输出核心功能,带宽覆盖 DC-4MHz,适配 50Ω 负载场景,广泛应用于光电探测、光谱分析等科研与工业检测领域,为各类微弱电流信号检测提供高精准放大解决方案。
HCA-4M-500k 高速电流放大器(跨阻放大器)凭借高速、高精准、低噪声的核心优势,成为光电探测与分析、精密电子测量领域的核心器件,具体应用场景包括:
| 规格 | 测试条件 | Vs=±12V,Ta=25℃ |
|---|---|---|
| 增益 | 跨阻增益 | 5x10^5V/A(@50Ω负载) |
| 增益精度 | ±3% | |
| 频率响应 | 频率下限 | DC |
| 频率上限 | 4MHz(±10%,@源电容2-4pF) | |
| 最大信号源电容 | 10pF(包括射频线寄生电容) | |
| 上升/下降时间(10-90%) | 85ns(@源电容2-4pF) | |
| 上升/下降时间(10-90%) | 90ns(@源电容5-10pF) | |
| 输入 | 输入噪声电流 | 3.8pA/√Hz(@10MHz) |
| 输入噪声电压 | 0.9nV/√Hz(@10MHz) | |
| 输入电流范围 | ±4uA | |
| 输入失调电压 | <2mV | |
| 输入阻抗 | 50Ω // 5pF | |
| 输出 | 输出最大电压范围 | ±2.0V(@50Ω负载) |
| 输出阻抗 | 50Ω | |
| 偏置输出 | 偏置输出范围 | ±12V,电位器调节 |
| 偏置输出阻抗 | 10kΩ // 1uF | |
| 供电 | 电压 | ±12V |
| 电流 | ±100mA,典型值 | |
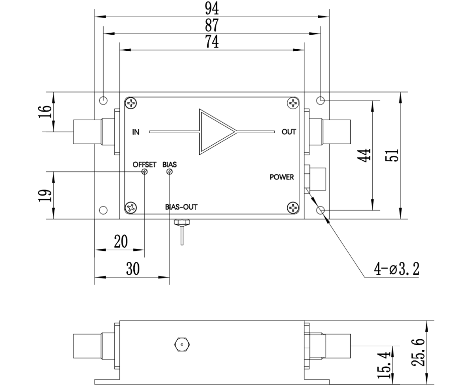
| 外壳 | 重量 | 126g |
| 材料 | 6061铝合金 | |
| 温度 | 存储温度 | -40...+85℃ |
| 工作温度 | -20...+60℃ | |
| 绝对最大额定值 | 输入电压 | ±5V |
| 供电电压 | ±20V |
| 连接器 | 输入 | BNC 母头 |
|---|---|---|
| 输出 | BNC 母头 | |
| 电源接口 | M8航空接头,3芯,母头![]() |

