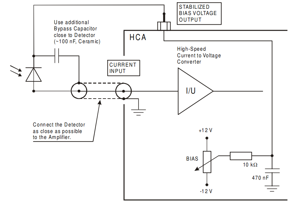
High Speed Current Amplifiers (Transimpedance Amplifiers) HCA 高速电流放大器(跨阻放大器)输入电流信号 输出电压信号,实现放大功能。

| 规格 | 测试条件 | Vs=±12V,Ta=25℃ |
|---|---|---|
| 增益 | 跨阻增益 | 5x10^3V/A(@50Ω负载) |
| 增益精度 | ±3% | |
| 频率响应 | 频率下限 | DC |
| 频率上限 | 400MHz(±10%,@源电容2-4pF) | |
| 最大信号源电容 | 10pF(包括射频线寄生电容) | |
| 上升/下降时间(10-90%) | 1.0ns(@源电容2-4pF) | |
| 上升/下降时间(10-90%) | 1.3ns(@源电容5-10pF) | |
| 输入 | 输入噪声电流 | 15pA/√Hz(@10MHz) |
| 输入噪声电压 | 2.5nV/√Hz(@10MHz) | |
| 输入电流范围 | ±400uA | |
| 输入失调电压 | <2mV | |
| 输入阻抗 | 50Ω // 5pF | |
| 输出 | 输出最大电压范围 | ±2.0V(@50Ω负载) |
| 输出阻抗 | 50Ω | |
| 偏置输出 | 偏置输出范围 | ±12V,电位器调节 |
| 偏置输出阻抗 | 10kΩ // 1uF | |
| 供电 | 电压 | ±12V |
| 电流 | ±100mA,典型值 | |
| 外壳 | 重量 | 126g |
| 材料 | 6061铝合金 | |
| 温度 | 存储温度 | -40...+85℃ |
| 工作温度 | -20...+60℃ | |
| 绝对最大额定值 | 输入电压 | ±5V |
| 供电电压 | ±20V |
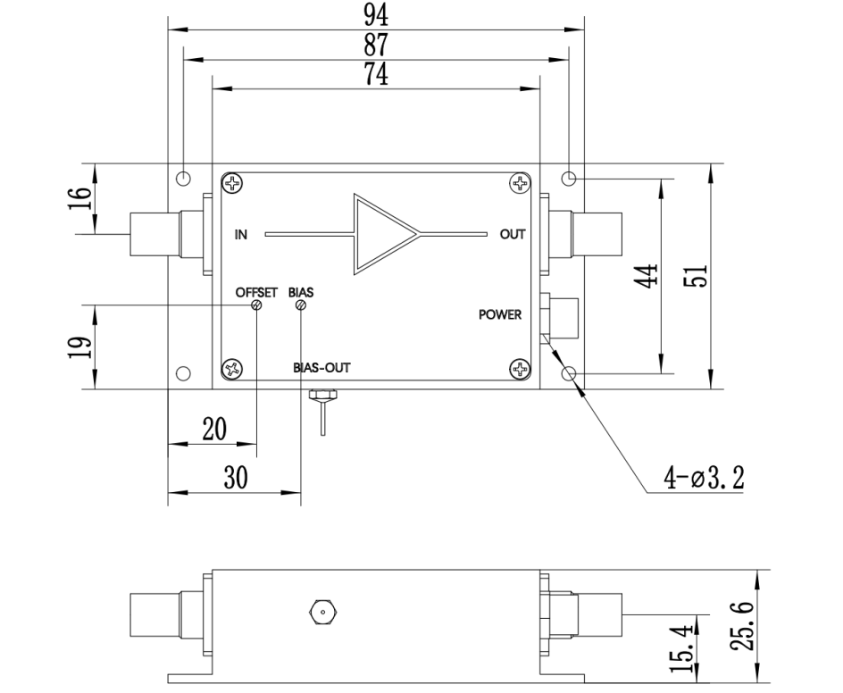
| 连接器 | 输入 | BNC 母头 |
|---|---|---|
| 输出 | BNC 母头 | |
| 电源接口 | M8航空接头,3芯,母头![]() |


噪声频谱
注意:光谱噪声数据是在放大器输出端测量的,输入端为开路但有屏蔽。要确定光谱输入噪声,请将测得的输出噪声除以放大器增益 5 x 10³ V/A,即:
| 标记点 | 频率 | 输出噪声 | 输入噪声 |
|---|---|---|---|
| 1 | 100Mhz | 75nV/√Hz | 15pA√Hz |
| 2 | 240Mhz | 259nV/√Hz | 52pA√Hz |

脉冲响应(16次平均)

大信号响应
10Mhz,50uA峰峰值方波输入信号(4次平均)

小信号响应
1 MHz、2.4 µA峰峰值方波输入信号(上图未平均,下图为64次平均)


| 序号 | 名称 | 规格参数 | 数量 | 备注 |
|---|---|---|---|---|
| 1 | 高速电流放大器 | / | 1 | |
| 2 | 电源线 | 3芯屏蔽线,M8公头,2m | 1 | 不含电源 |
| 3 | 射频线 | RG316-BNC-JJ,1m | 1 |