QPD四象限位置探测器采用象限一致性良好的光电二极管,集成低噪声电源和放大电路,具有噪声低,增益大等特点,广泛用于激光准直/制导,角度测量等应用。

QPD四象限位置探测器采用象限一致性良好的光电二极管,集成低噪声电源和放大电路,具有噪声低,增益大等特点。广泛用于激光准直/制导,角度测量等应用。
| 型号 | QPD90A-100k |
|---|---|
| 材料 | Si |
| 波长范围 | 400-1100nm |
| 光敏区域 | 9x9mm |
| 象限间隙 | 100um |
| 推荐光斑直径 | 1-4.2mm |
| 响应度 | 0.64A/W @900nm |
| 带宽a | DC-100kHz |
| 上升时间a | 4us |
| 跨阻增益a | 20kV/A |
| 最大光电流 | 250uA |
| 最大输出电压a | 5V |
| 噪声电压a | 2mV |
| 输出阻抗 | 50Ω |
| 输出耦合方式 | DC |
| 输出接头 | M12 8芯线缆 |
| 工作电压 | 12VDC |
| 工作温度 | -20~65℃ |
| 存储温度 | -40~85℃ |
备注:
a 对于高阻负载


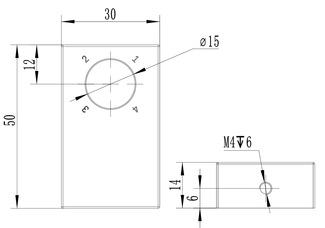
6. 接口定义
四象限探测器输出线缆为M12连接器公头,线序定义如下:
| 序号 | 线缆颜色 | 定义 |
|---|---|---|
| 1 | 白色 | 象限Ⅰ输出电压 |
| 2 | 棕色 | 象限Ⅱ输出电压 |
| 3 | 绿色 | 象限Ⅲ输出电压 |
| 4 | 黄色 | 象限Ⅳ输出电压 |
| 5 | 黑色/灰色 | 模块供电负极 GND |
| 6 | 橙色/粉色 | 模块供电负极 GND |
| 7 | 蓝色 | 模块供电正极 12V |
| 8 | 红色 | 模块供电正极 12V |
| 序号 | 物资名称 | 数量 | 单位 | 备注 |
|---|---|---|---|---|
| 1 | 光电探测器 | 1 | 个 | |
| 2 | 数据采集转接板 | 1 | 个 | |
| 3 | 电源适配器 | 1 | 个 | 12V |
| 选型描述 | 备注 | 链接 |
|---|---|---|
| 800-1700nm光纤输入的光电探测器 | 光纤输入 | 查看 |
| 800-1700nm的空间光输入光电探测器 | 空间光输入 | 查看 |
| 400-1100nm光纤输入硅光电探测器 | 光纤输入 | 查看 |
| 400-1100nm空间光输入硅光电探测器 | 空间光输入 | 查看 |
| 1G带宽以上的光电探测器 | 1G带宽以上 | 查看 |